51400 Serisi İtme topu yatağı
51400 Serisi İtme topu yatağı
51400 Serisi İtme topu yatağı

51400 Serisi

51400 serisi itme bilyalı rulman, itme yüklerine dayanacak şekilde tasarlanmış bir yataktır. Genellikle iki halkadan (iç ve dış) ve iç ve dış halkalar arasında yuvarlanma desteği sağlayan bir dizi toptan oluşurlar. Bu rulman serisi mükemmel yük taşıma kapasitesine ve aşınma direncine sahiptir ve yüksek yük ve düşük hızlı uygulamalar için uygundur. 51400 Serisi itme bilyalı rulmanları otomobil, makine üretimi, havacılık ve diğer endüstrilerde yaygın olarak kullanılır ve sürtünmeyi etkili bir şekilde azaltabilir ve ekipmanın çalışma verimliliğini artırabilir. Buna ek olarak, bu tür bir yatak kurulumu ve sürdürülmesi nispeten basittir, yüksek sıcaklıklarda ve aşındırıcı ortamlarda iyi performansı koruyabilir ve çeşitli mekanik ekipman türlerinde vazgeçilmez bir bileşendir. Kullanıcılar uygun modelleri ve özellikleri seçerek farklı uygulama ihtiyaçlarını karşılayabilir ve ekipmanın istikrarını ve güvenilirliğini sağlayabilir.

Sorgu Gönder

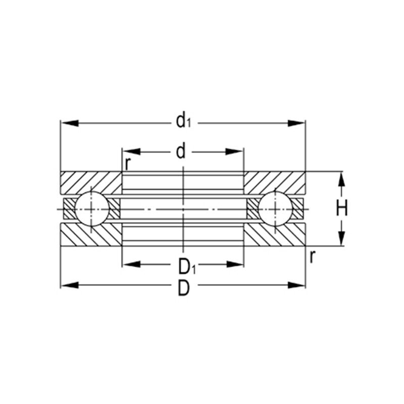
Ürün Parametreleri

Belirleme Ana Boyutlar (mm) Temel Yük DeğerlenDirmeleri (KN) Sınırlı Hız (RPM) Ağırlık
d D T Dinamik (CR) Statik (COR) Gres Yağ (kg)
51405 25 60 24 55.5 89.2 2200 3400 0.31
51406 30 70 28 72.5 125 1900 3000 0.51
51407 35 80 32 86.8 155 1700 2600 0.76
51408 40 90 36 112 205 1500 2200 1.06
51409 45 100 39 140 262 1400 2000 1.41
51410 50 110 43 160 302 1300 1900 1.86
51411 55 120 48 182 355 1100 1700 2.51
51412 60 130 51 200 395 1000 1600 3.08
51413 65 140 56 215 448 900 1400 3.91
51414 70 150 60 255 560 850 1300 4.85
51415 75 160 65 268 615 800 1200 6.08
51416 80 170 68 292 692 750 1100 7.12
51417 85 180 72 318 782 700 1000 8.28

Hakkında Yinin

Şangay Yinin Rulman ve Şanzıman Şirketi 2009 yılında kurulan firmamız, rulman alanında 20 yılı aşkın deneyime sahiptir. Biz Çin 51400 Serisi İtme topu yatağı Üretici Ve Özelleştirilmiş 51400 Serisi İtme topu yatağı Fabrika. 1999 dan beri çeşitli rulmanlar ihraç eden Çinli rulman üreticilerinin temsilcisi olarak faaliyet gösteriyoruz. Bugün, satış ve üretimi entegre eden kapsamlı bir rulman grubuna dönüştük.

Sektör Uygulaması

Rulmanlar otomobillerde yaygın olarak kullanılmaktadır. Arabadaki birçok hareketli parçanın temel...

Destek, yükseklik, açı, eklem ve tıbbi ekipmanların dönen parçaları için kullanılır.

Ev aletlerinin destek, rotasyon, motor ve kompresör parçaları için kullanılır.

Destekin rotasyonu ve hareketi için kullanılır ve otomasyon ekipmanının kısımları

Yapı yapılarında, farklı yapısal bileşenleri bağlamak için rulmanlar kullanılabilir.

Gıda ve içecek üretim sürecinde, sıvıları taşımak için pompalara ihtiyaç vardır ve gazları sıkışt...

Türbinler, fanlar ve şaftlar gibi dönen bileşenleri desteklemek için uçak ve uzay aracı motorları...

Taşıma araçları için dahili şanzıman dişlileri, şaftlar, direksiyon dişlileri ve direksiyon eklem...

2025-10-30

Application and Selection Recommendations of Deep Groov...
The deep groove ball bearing is the workhorse of the electric motor industry, serving as a critical component in everything from small appliance motors to large industrial drives. Its versatility, rel...

2025-10-24

Deep Groove Ball Bearing Installation Direction and Pre...
Proper installation is the most critical factor determining the performance, accuracy, and service life of a deep groove ball bearing. Unlike tapered roller bearings, a common point of confusion surro...

2025-10-17

How to Judge the Service Life and Wear Degree of Deep G...
Deep groove ball bearings are among the most common and versatile bearing types, found in everything from small electric motors to heavy industrial machinery. Their reliability is critical, but like a...

Bize Ulaşın

SUBMIT

Teknik Danışmanlık

  • Şangay Yinin Rulman ve Şanzıman Şirketi

    Özelleştirilmiş Çözümler

  • Şangay Yinin Rulman ve Şanzıman Şirketi

    Sürekli Ar-Ge

  • Şangay Yinin Rulman ve Şanzıman Şirketi

    Kalite Kontrol

  • Şangay Yinin Rulman ve Şanzıman Şirketi

    Teknik Destek ve Eğitim

  • Şangay Yinin Rulman ve Şanzıman Şirketi

    Hızlı Yanıt

Herhangi bir teknik danışmanlık veya geri bildiriminiz varsa, size en kısa sürede en profesyonel yanıtı sağlayacağız!

Bize Ulaşın