İnç konik makaralı rulmanlar, eksenel ve radyal yüklere dayanacak şekilde tasarlanmış yuvarlanma rulmanlarıdır ve endüstriyel ve otomotiv alanlarında yaygın olarak kullanılır. Benzersiz konik makaralı tasarımı, daha güçlü yük taşıma kapasitesi sağlar, yükü etkili bir şekilde dağıtabilir ve aşınmayı azaltabilir. Bu tür rulmanın iç ve dış halkaları arasındaki temas açısı, silindirlerin yüksek yükler altında stabil bir şekilde çalışmasına ve yüksek hızlı operasyon ihtiyaçlarına uyum sağlamasına izin verir. İnç konik makaralı rulmanlar, artan dayanıklılık ve uzun ömür için yüksek mukavemetli malzemelerden üretilir. Performanslarını ve verimliliğini sağlamak için rulmanların kurulurken, önceden yüklenmesi ve ayarlanması kritik öneme sahiptir. Üstün performansı nedeniyle, bu tür bir yatak, tekerlek göbekleri, şanzımanlar, azaltıcılar vb. Gibi mekanik ekipmanlarda yaygın olarak kullanılır ve önemli temel bileşenlerden biri haline gelmiştir. .
Ürün Parametreleri
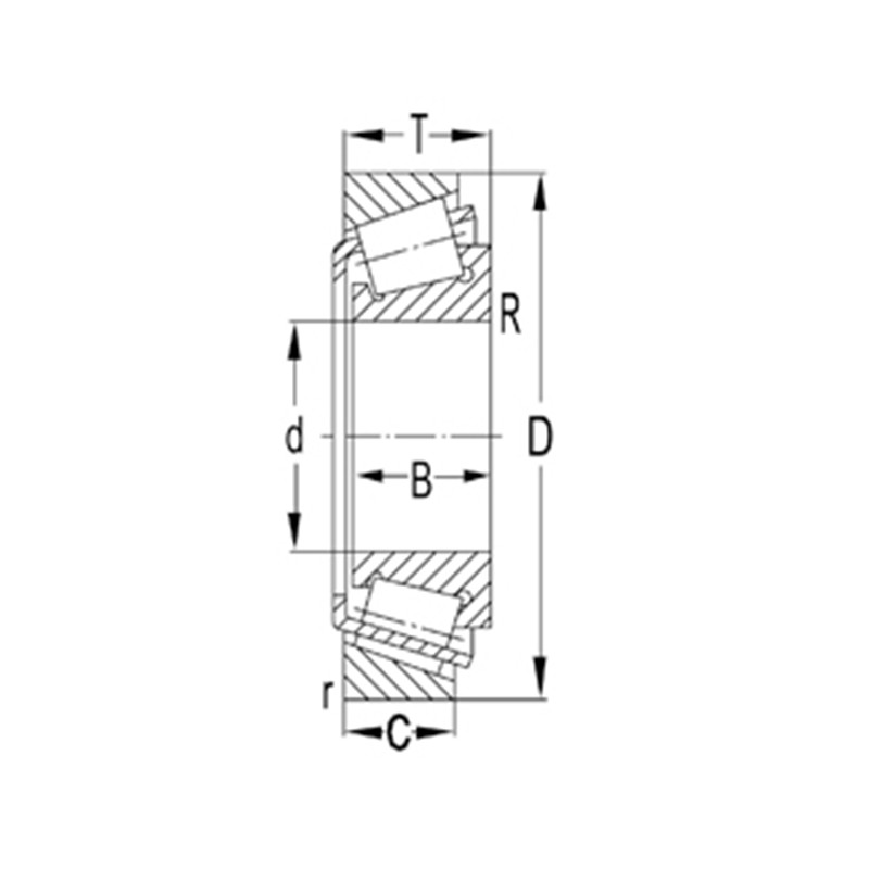
| Rulman ataması | Boyut (mm) | Temel Yük DeğeRlenDirmeleri (KN) | Hız Derecelendirmeleri (RPM) | Ağırlık | |||||||||
|---|---|---|---|---|---|---|---|---|---|---|---|---|---|
| Koni | Bardak | d | D | T | B | C | R | r | CR | Tıpkı | Gres | Yağ | (Kilogram) |
| 11590 | 11520 | 15.875 | 42.862 | 14.288 | 14.288 | 9.525 | 1.5 | 1.5 | 17.6 | 17.6 | 8500 | 12000 | 0.1 |
| LM11749 | LM11710 | 17.462 | 39.878 | 13.843 | 14.605 | 10.668 | 1.3 | 1.3 | 21.2 | 20.8 | 9000 | 13000 | 0.081 |
| LM11949 | LM11910 | 19.050 | 45.237 | 15.494 | 16.637 | 12.065 | 1.3 | 1.3 | 27.5 | 27.5 | 8500 | 12000 | 0.12 |
| 09067 | 09195 | 19.050 | 49.225 | 18.034 | 19.05 | 14.288 | 1.3 | 1.3 | 39.1 | 40 | 8000 | 11000 | 0.18 |
| 09074 | 09196 | 19.050 | 49.225 | 23.02 | 21.539 | 17.462 | 1.5 | 1.5 | 39.1 | 40 | 8000 | 11000 | 0.21 |
| A6075 | A6157 | 19.050 | 39.992 | 12.014 | 11.153 | 9.525 | 1.0 | 1.3 | 14.9 | 15.7 | 9500 | 13000 | 0.066 |
| 09067 | 09196 | 19.050 | 49.225 | 21.209 | 19.050 | 17.462 | 1.3 | 1.5 | 39.1 | 40 | 8000 | 11000 | 0.2 |
| 09074 | 09195 | 19.050 | 49.225 | 19.845 | 21.539 | 14.288 | 1.5 | 1.3 | 39.1 | 40 | 4300 | 8000 | 0.19 |
| 09074 | 09194 | 19.050 | 49.225 | 23.020 | 21.539 | 17.462 | 1.5 | 3.5 | 37.5 | 37.0 | 8500 | 11000 | 0.21 |
| 12580 | 12520 | 20.638 | 49.225 | 19.845 | 19.845 | 15.875 | 1.5 | 1.5 | 37.5 | 39.0 | 8200 | 11000 | |
| M12649 | M12610 | 21.430 | 50.005 | 17.526 | 18.288 | 13.970 | 1.3 | 1.3 | 36.9 | 38 | 8000 | 11000 | 0.17 |
| LM12749 | LM12710 | 21.986 | 45.237 | 15.494 | 16.637 | 12.065 | 1.3 | 1.3 | 27.5 | 31 | 8000 | 11000 | 0.12 |
| LM12749 | LM12711 | 21.986 | 45.974 | 15.494 | 16.637 | 12.065 | 1.3 | 1.3 | 27.5 | 31 | 8000 | 11000 | 0.12 |
| M12648 | M12610 | 22.225 | 50.005 | 17.526 | 18.288 | 13.970 | 1.3 | 1.3 | 39.1 | 40.7 | 8500 | 11000 | 0.17 |
| 1280 | 1220 | 22.225 | 57.150 | 22.225 | 22.225 | 17.462 | 0.8 | 1.6 | 52.6 | 55.7 | 7600 | 10000 | |
| 1755 | 1729 | 22.225 | 56.896 | 19.368 | 19.837 | 15.875 | 1.3 | 0.8 | 46 | 43.1 | 7600 | 10000 | |
| 07093 | 07196 | 23.812 | 50.005 | 13.495 | 14.260 | 9.525 | 1.5 | 1.0 | 26.0 | 27.9 | 7600 | 10000 | |
| 07097 | 07196 | 25.000 | 50.005 | 13.495 | 14.260 | 9.525 | 1.5 | 1.0 | 26.7 | 28.8 | 7900 | 11000 | 0.146 |
| 07100 | 07204 | 25.400 | 51.994 | 15.011 | 14.260 | 12.700 | 1.5 | 1.3 | 26.7 | 28.8 | 7900 | 11000 | 0.145 |
| 1780 | 1729 | 25.400 | 56.896 | 19.368 | 19.837 | 15.875 | 0.8 | 1.3 | 42.5 | 46.5 | 7200 | 9600 | |
| L44643 | L44610 | 25.400 | 50.292 | 14.224 | 14.732 | 10.668 | 1.3 | 1.3 | 26 | 30 | 7500 | 10000 | 0.13 |
| M84548 | M84510 | 25.400 | 57.150 | 19.431 | 19.431 | 14.732 | 1.5 | 1.5 | 39.6 | 45 | 6700 | 9000 | 0.24 |
| 15101 | 15243 | 25.400 | 61.912 | 19.050 | 20.638 | 14.288 | 0.8 | 2.0 | 44.6 | 50.7 | 6400 | 8600 | 0.28 |
| 07100 | 07196 | 25.400 | 50.005 | 13.495 | 14.260 | 9.525 | 1.5 | 1.0 | 26.7 | 28.8 | 7900 | 11000 | 0.12 |
| 15101 | 15245 | 25.400 | 62.000 | 19.050 | 20.638 | 14.288 | 0.8 | 1.3 | 48.4 | 57 | 6000 | 8000 | 0.31 |
| 15101 | 15250x | 25.400 | 63.500 | 20.638 | 20.638 | 15.875 | 0.8 | 1.5 | 48.4 | 57 | 6000 | 8000 | 0.34 |
| L44649 | L44610 | 26.988 | 50.292 | 14.224 | 14.732 | 10.668 | 3.5 | 1.3 | 26 | 30 | 7500 | 10000 | 0.11 |
| 1988 | 1922 | 28.575 | 57.150 | 19.845 | 19.355 | 15.875 | 3.5 | 1.5 | 47.3 | 55 | 6700 | 9000 | 0.22 |
| 02474 | 02420 | 28.575 | 68.262 | 22.225 | 22.225 | 17.462 | 0.8 | 1.5 | 58.3 | 69.5 | 5600 | 7500 | 0.42 |
| 02872 | 02820 | 28.575 | 73.025 | 22.225 | 22.225 | 17.462 | 0.8 | 3.2 | 55.0 | 65.7 | 5500 | 7400 | |
| 15112 | 15245 | 28.575 | 62.000 | 19.050 | 20.638 | 14.288 | 3.5 | 1.3 | 48.4 | 57 | 6000 | 8000 | 0.28 |
| L45449 | L45410 | 29.000 | 50.292 | 14.224 | 14.732 | 10.668 | 3.5 | 1.3 | 26 | 32.5 | 7000 | 9500 | 0.11 |
| 15116 | 15245 | 30.112 | 62.000 | 19.050 | 20.638 | 14.288 | 0.1 | 1.2 | 44.6 | 50.7 | 6400 | 8600 | |
| M86649 | M86610 | 30.162 | 64.292 | 21.433 | 21.433 | 16.670 | 1.5 | 1.5 | 49.5 | 61 | 6000 | 8000 | 0.33 |
| M88043 | M88010 | 30.162 | 68.262 | 22.225 | 22.225 | 17.462 | 2.3 | 1.5 | 55 | 69.5 | 5600 | 7500 | 0.41 |
| 02475 | 02420 | 31.750 | 68.262 | 22.225 | 22.225 | 17.462 | 3.6 | 1.6 | 51.0 | 61.1 | 6000 | 8000 | |
| 14125a | 14276 | 31.750 | 69.012 | 19.845 | 19.583 | 15.875 | 3.5 | 1.3 | 44.5 | 55.0 | 5500 | 7500 | 0.35 |
| LM67048 | LM67010 | 31.750 | 59.131 | 15.875 | 16.764 | 11.811 | 3.6 | 1.3 | 34.7 | 41.5 | 6300 | 8500 | 0.18 |
| 2580 | 2520 | 31.750 | 66.421 | 25.400 | 25.357 | 20.638 | 0.8 | 3.3 | 69.3 | 81.5 | 5600 | 7500 | 0.4 |
| 2580 | 2523 | 31.750 | 69.850 | 23.812 | 25.357 | 19.050 | 0.8 | 1.3 | 69.0 | 81.5 | 5700 | 7600 | 0.45 |
| 14125a | 14276 | 31.750 | 69.012 | 19.845 | 19.583 | 15.875 | 3.5 | 1.3 | 48.5 | 58.0 | 5600 | 7400 | 0.35 |
| 15123 | 15245 | 31.750 | 62.000 | 18.161 | 19.050 | 14.288 | 4 | 1.3 | 48.4 | 57 | 6000 | 8000 | 0.24 |
| 15126 | 15245 | 31.750 | 62.000 | 19.050 | 20.638 | 14.288 | 0.8 | 1.2 | 44.6 | 50.7 | 6400 | 8600 | |
| HM88542 | HM88510 | 31.750 | 73.025 | 29.370 | 27.783 | 23.020 | 1.3 | 3.3 | 74.3 | 101.0 | 5600 | 7500 | 0.62 |
| M88048 | M88010 | 33.338 | 68.262 | 22.225 | 22.225 | 17.462 | 0.8 | 1.5 | 55 | 69.5 | 5600 | 7500 | 0.38 |
| 14130 | 14276 | 33.338 | 69.012 | 19.845 | 19.583 | 15.875 | 3.5 | 1.3 | 53.9 | 67 | 5600 | 7500 | 0.35 |
| 14136 A | 14276 | 34.925 | 69.012 | 26.982 | 26.721 | 15.875 | 0.8 | 1.3 | 53.9 | 67 | 5600 | 7500 | 0.33 |
| 25877 | 25821 | 34.925 | 73.025 | 23.812 | 24.608 | 19.050 | 1.5 | 0.8 | 72.1 | 88 | 5300 | 7000 | 0.47 |
| LM48548 | LM48510 | 34.925 | 65.088 | 18.034 | 18.288 | 13.970 | 3.6 | 1.3 | 47.3 | 57 | 5600 | 7500 | 0.25 |
| HM88649 | HM88610 | 34.925 | 72.233 | 25.400 | 25.400 | 19.842 | 2.3 | 2.3 | 67.1 | 90 | 5000 | 6700 | 0.5 |
| HM89446 | HM89410 | 34.925 | 76.2 | 29.37 | 28.575 | 23.02 | 3.5 | 3.3 | 78.1 | 106 | 4800 | 6300 | 0.66 |
| L68149 | L68110 | 34.988 | 59.131 | 15.875 | 16.764 | 11.938 | 3.5 | 1.3 | 33 | 44 | 6000 | 8000 | 0.17 |
| L68149 | L68111 | 34.988 | 59.974 | 15.875 | 16.764 | 11.938 | 3.5 | 1.3 | 33 | 44 | 6000 | 8000 | 0.17 |
| LM78349A | LM78310A | 34.988 | 61.973 | 16.700 | 17.000 | 13.600 | 1.5 | 1.5 | 37.0 | 48.0 | 5900 | 7900 | 0.21 |
| HM88648 | HM88610 | 35.717 | 72.233 | 25.400 | 25.400 | 19.842 | 3.6 | 2.4 | 66.9 | 87.4 | 5700 | 6900 | |
| 25880 | 25821 | 36.487 | 73.025 | 23.812 | 24.608 | 19.05 | 1.5 | 0.8 | 72.1 | 88 | 5300 | 7000 | 0.46 |
| 25880 | 25820 | 36.487 | 73.025 | 23.812 | 24.608 | 19.05 | 1.5 | 0.8 | 72.1 | 88 | 5300 | 7000 | 0.45 |
| 2794 | 2720 | 36.487 | 76.2 | 23.812 | 25.654 | 19.05 | 3.5 | 3.3 | 74.8 | 93 | 5000 | 6700 | 0.5 |
| HM89448 | HM89410 | 36.512 | 76.200 | 29.370 | 28.575 | 23.02 | 0.8 | 3.3 | 78.1 | 106 | 4800 | 6300 | 0.64 |
| HM89449 | HM89410 | 36.512 | 76.200 | 29.370 | 28.575 | 23.02 | 3.5 | 3.3 | 78.1 | 106 | 4800 | 6300 | 0.64 |
| JL69349 | JL69310 | 38.000 | 63.000 | 17.000 | 17.000 | 13.500 | SP | 1.3 | 43.5 | 58.2 | 6000 | 8000 | 0.2 |
| LM29748 | LM29710 | 38.100 | 65.088 | 18.034 | 18.288 | 13.97 | SP | 1.3 | 42.9 | 56.5 | 5800 | 7800 | 0.24 |
| LM29749 | LM29710 | 38.100 | 65.088 | 18.034 | 18.288 | 13.97 | 2.3 | 1.3 | 42.9 | 57.0 | 5600 | 7500 | 0.24 |
| LM29749 | LM29711 | 38.100 | 65.088 | 19.812 | 18.288 | 15.748 | 2.3 | 1.3 | 42.9 | 57 | 5600 | 7500 | 0.25 |
| 3490 | 3420 | 38.100 | 79.375 | 29.370 | 29.771 | 23.812 | 3.5 | 3.3 | 91.3 | 110 | 5000 | 6700 | 0.67 |
| 418 | 414 | 38.100 | 88.5 | 26.988 | 29.083 | 22.225 | 3.5 | 1.5 | 101 | 114 | 4800 | 6300 | 0.83 |
| 2788 | 2720 | 38.100 | 76.200 | 23.812 | 25.654 | 19.050 | 3.5 | 3.3 | 74.8 | 93 | 5000 | 6700 | 0.5 |
| 16150 | 16282 | 38.100 | 72 | 19.000 | 20.638 | 14.237 | 3.5 | 1.5 | 49.5 | 60 | 5300 | 7000 | 0.33 |
| HM801346 | HM801310 | 38.1 | 82.55 | 29.37 | 28.575 | 23.02 | 0.8 | 3.3 | 85.8 | 118 | 4500 | 6000 | 0.78 |
| 25572 | 25520 | 38.100 | 82.931 | 23.812 | 25.400 | 19.050 | 0.8 | 0.8 | 77.2 | 100.0 | 4800 | 6300 | 0.64 |
| LM300849 | LM300811 | 40.988 | 67.975 | 17.500 | 18.000 | 13.500 | 3.6 | 1.5 | 44 | 58.5 | 5300 | 7000 | 0.24 |
| LM501349 | LM501310 | 41.275 | 73.431 | 19.558 | 19.812 | 14.732 | 3.5 | 0.8 | 55 | 69.5 | 4800 | 6300 | 0.33 |
| LM501349 | LM501314 | 41.275 | 73.431 | 21.430 | 19.812 | 16.604 | 3.5 | 0.8 | 55 | 69.5 | 4800 | 6300 | 0.35 |
| LM501349 | LM501311 | 41.275 | 73.431 | 23.012 | 19.812 | 18.186 | 3.5 | 2.3 | 55 | 69.5 | 4800 | 6300 | 0.37 |
| M802048 | M802011 | 41.275 | 82.550 | 26.543 | 25.654 | 20.193 | 3.5 | 3.3 | 73.7 | 91.5 | 4500 | 6000 | 0.62 |
| 18590 | 18520 | 41.275 | 73.025 | 16.667 | 17.462 | 12.700 | 3.5 | 1.5 | 46.8 | 56 | 5000 | 6700 | 0.28 |
| 11162 | 11300 | 41.275 | 76.200 | 18.009 | 17.384 | 14.288 | 1.5 | 1.5 | 45.7 | 56 | 5000 | 6700 | 0.34 |
| 24780 | 24720 | 41.275 | 76.200 | 22.225 | 23.020 | 17.462 | 3.5 | 0.8 | 68.2 | 86.5 | 5000 | 6700 | 0.43 |
| HM803146 | HM803110 | 41.275 | 88.9 | 30.162 | 29.37 | 23.02 | 3.5 | 3.3 | 95.2 | 127 | 4300 | 5600 | 0.9 |
| 526 | 522 | 41.275 | 101.6 | 34.925 | 36.068 | 26.988 | 3.5 | 3.3 | 151 | 190 | 3800 | 5000 | 1.45 |
| 3579 | 3525 | 42.862 | 87.312 | 30.162 | 30.886 | 23.812 | 3.5 | 3.3 | 102 | 132 | 4500 | 6000 | 0.8 |
| 25577 | 25520 | 42.875 | 82.931 | 23.812 | 25.400 | 19.050 | 3.5 | 0.8 | 80.9 | 106 | 4500 | 6000 | 0.57 |
| 25577 | 25523 | 42.875 | 82.931 | 26.988 | 25.4 | 22.225 | 3.5 | 2.3 | 80.9 | 106 | 4500 | 6000 | 0.61 |
| 25577 | 25522 | 42.875 | 83.058 | 23.876 | 25.4 | 19.114 | 3.5 | 2 | 80.9 | 106 | 4500 | 6000 | 0.57 |
| 527 | 522 | 44.450 | 101.600 | 34.925 | 36.068 | 26.988 | 3.5 | 3.3 | 151 | 190 | 3800 | 5000 | 1.35 |
| 535 | 532 a | 44.450 | 111.125 | 38.100 | 36.957 | 30.162 | 3.5 | 3.3 | 151 | 190 | 3600 | 4800 | 1.9 |
| 25580 | 25520 | 44.450 | 82.931 | 23.812 | 25.400 | 19.050 | 3.5 | 0.8 | 80.9 | 106 | 4500 | 6000 | 0.57 |
| 25580 | 25523 | 44.45 | 82.931 | 26.988 | 25.4 | 22.225 | 3.5 | 2.3 | 80.9 | 106 | 4500 | 6000 | 0.61 |
| 25580 | 25522 | 44.45 | 83.058 | 23.876 | 25.4 | 19.114 | 3.5 | 2 | 80.9 | 106 | 4500 | 6000 | 0.57 |
| HM803149 | HM803110 | 44.45 | 88.9 | 30.162 | 29.37 | 23.02 | 3.5 | 3.3 | 95.2 | 127 | 4300 | 5600 | 0.85 |
| 17887 | 17831 | 45.230 | 79.985 | 19.842 | 20.638 | 15.080 | 2.0 | 1.3 | 62.0 | 78.5 | 4500 | 6000 | 0.41 |
| LM603049 | LM603011 | 45.242 | 77.788 | 19.842 | 19.842 | 15.080 | 3.5 | 0.8 | 53.9 | 69.5 | 4800 | 6300 | 0.37 |
| LM603049 | LM603014 | 45.242 | 79.974 | 19.842 | 19.842 | 15.000 | 3.5 | 0.8 | 57.1 | 73.5 | 4900 | 6500 | |
| LM603049 | LM603012 | 45.242 | 77.788 | 21.430 | 19.842 | 16.667 | 3.5 | 0.8 | 57.1 | 73.5 | 4900 | 6500 | 0.38 |
| LM102949 | LM102910 | 45.242 | 73.431 | 19.558 | 19.812 | 15.748 | 3.5 | 0.8 | 55.6 | 78.1 | 5100 | 6700 | 0.3 |
| 25590 | 25520 | 45.618 | 82.931 | 23.812 | 25.400 | 19.050 | 3.5 | 0.8 | 80.9 | 106 | 4500 | 6000 | 0.55 |
| 25590 | 25523 | 45.618 | 82.931 | 26.988 | 25.400 | 22.225 | 3.5 | 2.3 | 80.9 | 106 | 4500 | 6000 | 0.59 |
| LM503349 | LM503310 | 45.987 | 74.976 | 18.000 | 18.000 | 14.000 | 2.3 | 1.5 | 50.1 | 71 | 4800 | 6300 | 0.31 |
| M804049 | M804010 | 47.625 | 88.900 | 25.400 | 25.400 | 19.050 | 3.5 | 3.3 | 87.1 | 112.0 | 4400 | 5900 | |
| 386 A | 382 A | 47.625 | 96.838 | 21.000 | 21.946 | 15.875 | 0.8 | 0.8 | 80.9 | 102 | 3800 | 5500 | 0.73 |
| JLM104948 | JLM104910 | 50.000 | 82.000 | 21.501 | 21.501 | 17.000 | 3.0 | 0.5 | 71.7 | 97.9 | 4500 | 6000 | 0.42 |
| LM104949 | LM104911 | 50.800 | 82.550 | 21.590 | 22.225 | 16.51 | 3.5 | 1.3 | 61.2 | 84.3 | 4500 | 6000 | 0.42 |
| LM104949 | LM104912 | 50.800 | 82.931 | 21.590 | 22.225 | 16.510 | 3.5 | 1.3 | 69.5 | 94.0 | 4300 | 5700 | |
| 368a | 362a | 50.800 | 88.900 | 20.638 | 22.225 | 16.513 | 3.5 | 1.3 | 76.5 | 91.5 | 4300 | 5600 | 0.5 |
| 368a | 362x | 50.800 | 90 | 25 | 22.225 | 20 | 3.5 | 2 | 76.5 | 91.5 | 4300 | 5600 | 0.58 |
| 529 | 522 | 50.800 | 101.600 | 34.925 | 36.068 | 26.988 | 0.8 | 3.2 | 131.0 | 159.0 | 4000 | 5300 | |
| 529x | 522 | 50.800 | 101.600 | 34.925 | 36.068 | 26.988 | 3.5 | 3.3 | 151 | 190 | 3800 | 5000 | 1.25 |
| 3780 | 3720 | 50.800 | 93.264 | 30.162 | 30.302 | 23.812 | 3.5 | 3.3 | 110 | 146 | 4000 | 5300 | 0.87 |
| 28580 | 28521 | 50.800 | 92.075 | 24.608 | 25.400 | 19.845 | 3.5 | 0.8 | 85.8 | 118 | 4000 | 5300 | 0.72 |
| 368a | 363 | 50.800 | 90.000 | 20.000 | 22.225 | 20.000 | 3.5 | 0.8 | 76.5 | 90.5 | 4100 | 5500 | |
| 28584 | 28521 | 52.388 | 92.075 | 24.608 | 25.400 | 19.845 | 3.5 | 0.8 | 84.8 | 119.0 | 4200 | 5600 | 0.67 |
| 539 | 532x | 53.975 | 107.950 | 36.512 | 36.957 | 28.575 | 3.5 | 3.3 | 151 | 190 | 3600 | 4800 | 1.5 |
| JLM506849 | JLM506810 | 55.000 | 90.000 | 23.000 | 23.000 | 18.500 | 1.6 | 0.5 | 81.4 | 115.0 | 4200 | 5500 | |
| 39581 | 39520 | 57.150 | 112.712 | 30.162 | 30.162 | 23.812 | 8 | 3.3 | 142 | 204 | 3200 | 4300 | 1.4 |
| 387 | 382A | 57.150 | 96.838 | 21.000 | 21.946 | 15.875 | 2.3 | 0.8 | 80.9 | 102 | 3800 | 5000 | 0.59 |
| 387a | 382A | 57.150 | 96.838 | 21.000 | 21.946 | 15.875 | 3.5 | 0.8 | 80.9 | 102 | 3800 | 5000 | 0.59 |
| 387'ler | 382A | 57.150 | 96.838 | 21.000 | 21.946 | 15.875 | 5 | 0.8 | 80.9 | 102 | 3800 | 5000 | 0.58 |
| 387 | 382S | 57.150 | 96.838 | 21.000 | 21.946 | 15.875 | 2.3 | 2.3 | 80.9 | 102 | 3800 | 5000 | 0.59 |
| 387a | 382S | 57.150 | 96.838 | 21.000 | 21.946 | 15.875 | 3.5 | 2.3 | 80.9 | 102 | 3800 | 5000 | 0.59 |
| 387'ler | 382S | 57.150 | 96.838 | 21.000 | 21.946 | 15.875 | 5 | 2.3 | 80.9 | 102 | 3800 | 5000 | 0.58 |
| 462 | 453x | 57.150 | 104.775 | 30.162 | 29.317 | 24.605 | 2.3 | 3.3 | 109.0 | 144.0 | 3700 | 4900 | 1.08 |
| 28985 | 28920 | 60.325 | 101.600 | 25.400 | 25.400 | 19.845 | 3.5 | 3.3 | 85.8 | 125 | 3600 | 4800 | 0.81 |
| 28985 | 28921 | 60.325 | 100.000 | 25.400 | 25.400 | 19.845 | 3.5 | 3.3 | 85.8 | 125 | 3600 | 4800 | 0.77 |
| 395 | 394a | 63.500 | 110.000 | 22.000 | 21.996 | 18.824 | 3.5 | 1.3 | 88 | 118 | 3200 | 4300 | 0.84 |
| 29585 | 29520 | 63.5 | 107.95 | 25.4 | 25.4 | 19.05 | 3.5 | 3.3 | 89.7 | 137 | 3200 | 4300 | 0.9 |
| 559 | 552A | 63.500 | 123.825 | 38.100 | 36.678 | 30.162 | 3.5 | 3.3 | 172 | 240 | 3000 | 4000 | 2 |
| 39585 | 39520 | 63.500 | 112.712 | 30.162 | 30.162 | 23.812 | 3.5 | 3.3 | 142.0 | 204 | 3200 | 4300 | 1.25 |
| 395s | 394a | 66.675 | 110.000 | 22.000 | 21.996 | 18.824 | 3.5 | 1.3 | 88 | 118 | 3200 | 4300 | 0.79 |
| HM212049 | HM212011 | 66.675 | 122.238 | 38.100 | 38.354 | 29.718 | 3.5 | 3.5 | 191.0 | 249.0 | 3200 | 4300 | 1.85 |
| 3984 | 3920 | 66.675 | 112.712 | 30.162 | 30.048 | 23.812 | 3.5 | 3.3 | 123 | 183 | 3200 | 4300 | 1.15 |
| 39590 | 39520 | 66.675 | 112.712 | 30.162 | 30.162 | 23.812 | 3.5 | 3.3 | 142 | 204 | 3200 | 4300 | 1.2 |
| 399a | 394a | 68.262 | 110.000 | 22.000 | 21.996 | 18.824 | 2.3 | 1.3 | 88 | 118 | 3200 | 4300 | 0.76 |
| 482 | 472 | 69.850 | 120.000 | 29.794 | 29.007 | 24.237 | 3.5 | 2.0 | 132 | 186 | 3000 | 4000 | 1.35 |
| 566 | 563 | 69.850 | 127.000 | 36.512 | 36.17 | 28.575 | 3.5 | 3.3 | 176 | 255 | 2800 | 3800 | 1.85 |
| 484 | 472 | 70.000 | 120.000 | 29.794 | 29.007 | 24.237 | 2.0 | 2.0 | 132 | 186 | 3000 | 4000 | 1.3 |
| 567a | 563 | 71.438 | 127.000 | 36.512 | 36.170 | 28.575 | 3.5 | 3.3 | 156.0 | 226.0 | 3000 | 4000 | |
| 29685 | 29620 | 73.025 | 112.712 | 25.400 | 25.400 | 19.050 | 3.5 | 3.3 | 99 | 156 | 3000 | 4000 | 0.89 |
| 567 | 563 | 73.025 | 127.000 | 36.512 | 36.170 | 28.575 | 3.5 | 3.3 | 176 | 255 | 2800 | 3800 | 1.85 |
| 575 | 572 | 76.200 | 139.992 | 36.512 | 36.098 | 28.575 | 3.5 | 3.3 | 187 | 280 | 2400 | 3400 | 2.45 |
| 581 | 572 | 80.962 | 139.992 | 36.512 | 36.098 | 28.575 | 3.5 | 3.3 | 175.0 | 262.0 | 2700 | 3600 | |
| 740 | 742 | 80.962 | 150.098 | 44.450 | 46.672 | 36.512 | 5.2 | 3.2 | 264.0 | 368.0 | 2500 | 3400 | |
| 580 | 572 | 82.550 | 139.992 | 36.512 | 36.098 | 28.575 | 3.5 | 3.3 | 187 | 280 | 2400 | 3400 | 2.2 |
| 663 | 653 | 82.550 | 146.050 | 41.275 | 41.275 | 31.750 | 3.5 | 3.3 | 220 | 320 | 2200 | 3200 | 2.8 |
| 27690 | 27620 | 83.345 | 125.412 | 25.400 | 25.400 | 19.845 | 3.5 | 1.5 | 112 | 186 | 2600 | 3600 | 1.05 |
| 498 | 493 | 84.138 | 136.525 | 30.162 | 29.769 | 22.225 | 3.5 | 3.3 | 145 | 220 | 2400 | 3400 | 1.6 |
| 749 | 742 | 85.026 | 150.089 | 44.450 | 46.672 | 36.512 | 3.5 | 3.3 | 286 | 405 | 2200 | 3200 | 3.3 |
| HM518445 | HM518410 | 88.900 | 152.400 | 39.688 | 39.688 | 30.162 | 6.4 | 3.3 | 242 | 355 | 2000 | 3000 | 2.85 |
| HM218248 | HM218210 | 89.974 | 146.975 | 40.000 | 40.000 | 32.500 | 7 | 3.5 | 229 | 355 | 2200 | 3200 | 2.5 |
| 42381 | 42584 | 96.838 | 148.430 | 28.575 | 28.971 | 21.433 | 3.5 | 3.0 | 130 | 196 | 2200 | 3200 | 1.65 |
| L521949 | L521910 | 107.950 | 146.050 | 21.432 | 21.432 | 16.670 | 1.6 | 1.6 | 86.4 | 167.0 | 2300 | 3100 | |
Hakkında Yinin
Sektör Uygulaması
Haber Bilgileri
Bize Ulaşın
Teknik Danışmanlık
Özelleştirilmiş Çözümler
Sürekli Ar-Ge
Kalite Kontrol
Teknik Destek ve Eğitim
Hızlı Yanıt
Herhangi bir teknik danışmanlık veya geri bildiriminiz varsa, size en kısa sürede en profesyonel yanıtı sağlayacağız!