31300 Serisi Konik makaralı rulman
31300 Serisi Konik makaralı rulman
31300 Serisi Konik makaralı rulman

31300 Serisi

31300 Serisi konik silindir yatakları, yüksek yük taşıma kapasitesine ve mükemmel aşınma direncine sahip yuvarlanma rulmanlarıdır ve çeşitli endüstriyel ekipman ve makinelerde yaygın olarak kullanılmaktadır. Bu rulman serisi konik bir silindir tasarımı benimser ve radyal ve eksenel yüklere dayanabilir. Yüksek yük ve yüksek hızlı çalışma ortamlarında kullanım için uygundur. Yapısal özellikleri, iç ve dış halkalardaki konik temas yüzeylerini içerir, silindirler ve yarış yolları arasında hassas bir uyum sağlar, böylece sürtünme ve ısı üretimini azaltır. 31300 serisi rulmanların malzemesi genellikle sertliği ve dayanıklılığı arttırmak için ısıl işlem gören yüksek kaliteli alaşım çeliktir. Buna ek olarak, bu yatak aynı zamanda, hizmet ömrünü uzatarak yanlış montaj veya şaft bükülmesinin neden olduğu sapmaları telafi edebilen iyi kendi kendini hizalama yeteneklerine sahiptir. Ortak uygulama alanları arasında otomotiv endüstrisi, madencilik makineleri, metalurjik ekipmanlar ve havacılık alanı.

Sorgu Gönder

Ürün Parametreleri

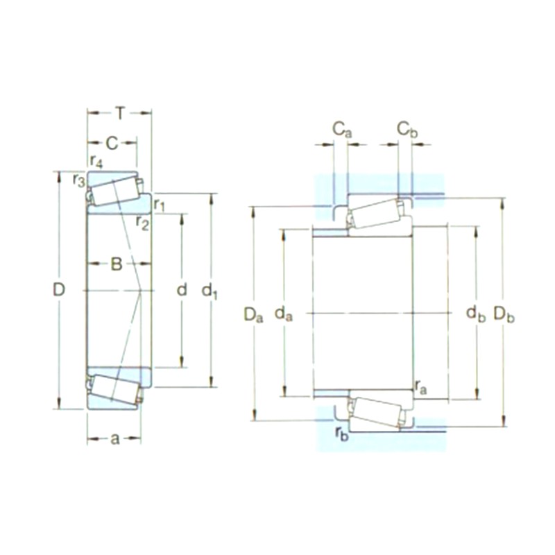
Belirleme AnA boyutlar (mm) Temel Yük DeğerlenDirmeleri (KN) Pu Hız Derecelendirmeleri (RPM) Ağırlık (kg) ISO335 Boyutlar (mm) Abutment ve fileto boyutları (mm) Değer
D1 D B DYC (CR) STC (COR) Hız Derecelendirmeleri Sınırlayıcı Hız Boyutlar (ABMA) d D1 ~ B C R1,2 (dak) R3,4 (dak) a DA (Max) DB (Min) DA (Min) DA (Max) DB (Min) CA (Min) CB (Min) RA (Max) RB (Maks) e Y Yo
31305j2 25 62 18,25 38 40 4,4 7500 11000 0,26 7FB 25 45,8 17 13 1,5 1,5 20 34 32 47 55 59 3 5 1,5 1,5 0,83 0,72 0,4
31306j2/q 30 72 20,75 55 50 5,7 7500 9500 0,39 7FB 30 52,7 19 14 1,5 1,5 22 40 37 55 65 68 3 6,5 1,5 1,5 0,83 0,72 0,4
31307j2/q 35 80 22,75 71 67 7,8 6300 8500 0,52 7FB 35 59,6 21 15 2 1,5 25 45 44 62 71 76 3 7,5 2 1,5 0,83 0,72 0,4
31308j2/qcl7c 40 90 25,25 85 81,5 9,5 5600 7500 0,72 7FB 40 67,1 23 17 2 1,5 28 51 49 71 81 86 3 8 2 1,5 0,83 0,72 0,4
31309J2/QCL7C 45 100 27,25 106 102 12,5 5000 6700 0,95 7FB 45 74,7 25 18 2 1,5 31 57 53 79 91 95 4 9 2 1,5 0,83 0,72 0,4
31310j2/qcl7c 50 110 29,25 122 120 14,3 4500 6000 1,20 7FB 50 81,5 27 19 2,5 2 34 62 60 87 100 104 4 10 2 2 0,83 0,72 0,4
31311j2/qcl7c 55 120 31,5 140 137 16,6 4300 5600 1,55 7FB 55 88,4 29 21 2,5 2 37 68 65 94 112 113 4 10,5 2 2 0,83 0,72 0,4
31312J2/QCL7C 60 130 33,5 166 166 20,4 3800 5300 1,90 7FB 60 95,9 31 22 3 2,5 39 74 72 103 118 123 5 11,5 2,5 2 0,83 0,72 0,4
31313J2/QCL7C 65 140 36 190 193 23,6 3600 4800 2.35 7GB 65 103 33 23 3 2,5 42 80 77 111 128 132 5 13 2,5 2 0,83 0,72 0,4
31314J2/QCL7C 70 150 38 216 220 27 3400 4500 2,95 7GB 70 110 35 25 3 2,5 45 85 82 118 138 141 5 13 2,5 2 0,83 0,72 0,4
31315j2/qcl7c 75 160 40 240 245 29 3200 4300 3,50 7GB 75 116 37 26 3 2,5 48 91 87 127 148 151 6 14 2,5 2 0,83 0,72 0,4
31316J1/QCL7C 80 170 42,5 260 265 32 3000 4000 4,05 7GB 80 124 39 27 3 2,5 52 97 92 134 158 159 6 15,5 2,5 2 0,83 0,72 0,4
31317j2 85 180 44,5 242 285 33,5 2600 3800 4,60 7GB 85 131 41 28 4 3 55 103 99 143 166 169 6 16,5 3 2,5 0,83 0,72 0,4
31318j2 90 190 46,5 264 315 36,5 2400 3400 5,90 7GB 90 138 43 30 4 3 57 109 105 151 176 179 5 16,5 3 2,5 0,83 0,72 0,4
31319J2 95 200 49,5 292 355 39 2400 3400 6,95 7GB 95 145 45 32 4 3 60 114 110 157 186 187 5 17,5 3 2,5 0,83 0,72 0,4
31320xj2/cl7cvq051 100 215 56,5 430 465 51 2400 3000 8,60 7GB 100 158 51 35 4 3 65 121 115 168 201 202 7 21,5 3 2,5 0,83 0,72 0,4
31322xj2 110 240 63 457 585 62 1900 2800 12,0 7GB 110 176 57 38 4 3 72 135 125 188 226 224 7 25 3 2,5 0,83 0,72 0,4
31324xj2 120 260 68 539 695 73,5 1700 2400 15,5 7GB 120 190 62 42 4 3 78 145 135 203 245 244 9 26 3 2,5 0,83 0,72 0,4
31326xj2 130 280 72 605 780 81,5 1600 2400 18,5 7GB 130 204 66 44 5 4 84 157 150 218 263 261 8 28 4 3 0,83 0,72 0,4
31328xj2 140 300 77 693 900 88 1500 2200 24,5 7GB 140 219 70 47 5 4 90 169 160 235 283 280 9 30 4 3 0,83 0,72 0,4
31330xj2 150 320 82 781 1020 100 1400 2000 29,5 7GB 150 234 75 50 5 4 96 181 170 251 303 300 9 32 4 3 0,83 0,72 0,4

Hakkında Yinin

Şangay Yinin Rulman ve Şanzıman Şirketi 2009 yılında kurulan firmamız, rulman alanında 20 yılı aşkın deneyime sahiptir. Biz Çin 31300 Serisi Konik makaralı rulman Üretici Ve Özelleştirilmiş 31300 Serisi Konik makaralı rulman Fabrika. 1999 dan beri çeşitli rulmanlar ihraç eden Çinli rulman üreticilerinin temsilcisi olarak faaliyet gösteriyoruz. Bugün, satış ve üretimi entegre eden kapsamlı bir rulman grubuna dönüştük.

Sektör Uygulaması

Rulmanlar otomobillerde yaygın olarak kullanılmaktadır. Arabadaki birçok hareketli parçanın temel...

Destek, yükseklik, açı, eklem ve tıbbi ekipmanların dönen parçaları için kullanılır.

Ev aletlerinin destek, rotasyon, motor ve kompresör parçaları için kullanılır.

Destekin rotasyonu ve hareketi için kullanılır ve otomasyon ekipmanının kısımları

Yapı yapılarında, farklı yapısal bileşenleri bağlamak için rulmanlar kullanılabilir.

Gıda ve içecek üretim sürecinde, sıvıları taşımak için pompalara ihtiyaç vardır ve gazları sıkışt...

Türbinler, fanlar ve şaftlar gibi dönen bileşenleri desteklemek için uçak ve uzay aracı motorları...

Taşıma araçları için dahili şanzıman dişlileri, şaftlar, direksiyon dişlileri ve direksiyon eklem...

2025-10-30

Application and Selection Recommendations of Deep Groov...
The deep groove ball bearing is the workhorse of the electric motor industry, serving as a critical component in everything from small appliance motors to large industrial drives. Its versatility, rel...

2025-10-24

Deep Groove Ball Bearing Installation Direction and Pre...
Proper installation is the most critical factor determining the performance, accuracy, and service life of a deep groove ball bearing. Unlike tapered roller bearings, a common point of confusion surro...

2025-10-17

How to Judge the Service Life and Wear Degree of Deep G...
Deep groove ball bearings are among the most common and versatile bearing types, found in everything from small electric motors to heavy industrial machinery. Their reliability is critical, but like a...

Bize Ulaşın

SUBMIT

Teknik Danışmanlık

  • Şangay Yinin Rulman ve Şanzıman Şirketi

    Özelleştirilmiş Çözümler

  • Şangay Yinin Rulman ve Şanzıman Şirketi

    Sürekli Ar-Ge

  • Şangay Yinin Rulman ve Şanzıman Şirketi

    Kalite Kontrol

  • Şangay Yinin Rulman ve Şanzıman Şirketi

    Teknik Destek ve Eğitim

  • Şangay Yinin Rulman ve Şanzıman Şirketi

    Hızlı Yanıt

Herhangi bir teknik danışmanlık veya geri bildiriminiz varsa, size en kısa sürede en profesyonel yanıtı sağlayacağız!

Bize Ulaşın