MTR Serisi Konveyör silindir yatağı
MTR Serisi Konveyör silindir yatağı
MTR Serisi Konveyör silindir yatağı

MTR Serisi

MTR serisi konveyör makaralı rulmanlar ağır yük ve yüksek hızlı konveyör sistemleri için tasarlanmış yüksek performanslı rulmanlardır. Bu tür rulman mükemmel aşınma direncine ve korozyon direncine sahiptir ve zorlu çalışma ortamlarında istikrarlı çalışmayı sürdürebilir. MTR Serisi, uzun servis ömrü ve güvenilirlik sağlayan yüksek kaliteli malzemelerden üretilmiştir. Benzersiz sızdırmazlık tasarımı, toz ve kirin girişini etkili bir şekilde önler, böylece bakım sıklığını azaltır. Buna ek olarak, MTR serisinin kurulum ve değiştirme süreci basit ve hızlıdır, bu da üretim verimliliğini önemli ölçüde artırabilir. Madencilik, lojistik, imalat ve diğer endüstrilerde yaygın olarak kullanılır.

Sorgu Gönder

MTR Serisi Konveyör Makaralı Rulmanlar - Malzeme Taşıma için Tasarlanmıştır

Ürün Özellikleri

  • Sızdırmazlık Sistemi: MTR serisi rulmanlar çok dudaklı labirent conta tasarımına sahiptir. Bu konfigürasyon toza, neme ve ince parçacıklara karşı direnç sağlayarak kirlenmiş ortamlarda rulman hizmet ömrünü uzatır.
  • Malzeme ve İnşaat: Isıl işlem görmüş bir kanal ile karbon çeliğinden yapılmıştır. Bu, aşınmayı en aza indirmek ve yük altında boyutsal stabiliteyi korumak için yüzey sertliğini artırır.
  • Düşük Dönme Direnci: Rulman tasarımı, azaltılmış sürtünme için optimize edilmiştir ve konveyör sistemlerinde daha düşük güç tüketimine katkıda bulunur. Bu, dökme malzeme taşıma ekipmanı için enerji verimliliğinin arttırılmasında önemli bir faktördür.

Ürün Açıklaması

MTR serisi, yerçekimi, motorlu ve bantlı konveyör sistemlerinde kullanılmak üzere tasarlanmış, hassas mühendislik ürünü konveyör makaralı rulmanlardan oluşan bir seridir. Endüstriyel standartlara uygun olarak üretilen bu rulmanlar, güvenilir dönüş ve yük desteği gerektiren uygulamalar için uygundur. Tasarım dayanıklılık ve operasyonel verimliliğe odaklanıyor. Entegre conta sistemi, lojistik ve üretim ortamlarında erken yatak arızasının yaygın bir nedeni olan çevresel girişe karşı koruma sağlar. Bu rulmanlar, depo otomasyonu, sınıflandırma sistemleri ve paket taşıma hatları gibi uygulamalar için konveyör silindirlerinde kullanılmak üzere belirtilmiştir.

Uygulama Alanları

MTR serisi konveyör makaralı rulmanlar aşağıdaki sistem ve ekipmanlara entegrasyon için uygundur:

  • Lojistik ve depo konveyör hatları
  • Otomatik sıralama ve taşıma sistemleri
  • Üretim tesislerinde malzeme transfer istasyonları
  • Agregalar, tahıllar ve hammaddeler için konveyör bantları

SSS

1. MTR serisi rulmanlar, konveyör makaraları için standart sabit bilyalı rulmanlarla nasıl karşılaştırılır?

MTR serisi rulmanlar, konveyör uygulamalarında mevcut olan radyal ve itme yükleri için özel olarak tasarlanmıştır. Standart sabit bilyalı rulmanlar kullanılabilirken, MTR serisi, konveyör ortamlarında yaygın olan toz ve döküntülere karşı gelişmiş koruma sunan sağlam, entegre bir sızdırmazlık sistemine sahiptir. Bu sızdırmaz tasarım, rulmanın servis ömrünü önemli ölçüde uzatabilir ve bakım döngülerini azaltabilir. Uygulamanıza özel ayrıntılı performans verileri için mühendislik ekibimiz doğrudan bir karşılaştırma ve uygunluk analizi sağlayabilir.

2. Ağır toz koşullarında MTR serisi konveyör makaralı rulmanların beklenen hizmet ömrü nedir?

Bir konveyör yatağının hizmet ömrü, yük, hız ve çevre kirliliği dahil olmak üzere birçok faktöre bağlıdır. MTR yataklarındaki çok dudaklı labirent conta, tozlu ortamlarda yatak bozulmasına önemli bir katkıda bulunan ince parçacıklardan gelen girişe direnecek şekilde tasarlanmıştır. Evrensel bir hizmet ömrü değeri sağlayamasak da, testler contanın yağlayıcı bütünlüğünü korumada ve iç bileşen aşınmasını önlemede etkinliğini göstermiştir. Uygulamanızın spesifik hizmet ömrünü tahmin etmek için, hassas bir hesaplama için yük döngüleri ve toz konsantrasyonu seviyeleri de dahil olmak üzere operasyonel parametrelerinizle teknik desteğimizi vermeniz önerilir.

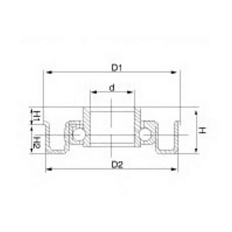
Ürün Parametreleri

Ürün No. D1 D2 H H1 H2 d Açıklama
MTR42.2 42.3 38,2 0,1 16.3 5.5 10.8 12,2 0,05 Siyah iç halka
MTR48.6 48.2 44 0,1 16 5.5 10.5 12.2 Siyah iç halka
MTR50.8 50.5 48 0,1 17 5.5 11.5 12,2 0,05 Siyah iç halka
MTR60.45 58.5 55 0,1 18 5.5 12.5 12,2 0,05 Siyah iç halka
MTR38 38-0,01 35-0.1 15.8 3.8 12 10.2 Siyah iç halka
MTR59 59 0,1 56-0.1 19.5 5 14.5 12.2 Siyah iç halka
MTR59 59 0,1 56-0.1 19.5 5 14.5 12.2 Siyah iç halka

Hakkında Yinin

Şangay Yinin Rulman ve Şanzıman Şirketi 2009 yılında kurulan firmamız, rulman alanında 20 yılı aşkın deneyime sahiptir. Biz Çin MTR Serisi Konveyör silindir yatağı Üretici Ve Özelleştirilmiş MTR Serisi Konveyör silindir yatağı Fabrika. 1999 dan beri çeşitli rulmanlar ihraç eden Çinli rulman üreticilerinin temsilcisi olarak faaliyet gösteriyoruz. Bugün, satış ve üretimi entegre eden kapsamlı bir rulman grubuna dönüştük.

Sektör Uygulaması

Rulmanlar otomobillerde yaygın olarak kullanılmaktadır. Arabadaki birçok hareketli parçanın temel...

Destek, yükseklik, açı, eklem ve tıbbi ekipmanların dönen parçaları için kullanılır.

Ev aletlerinin destek, rotasyon, motor ve kompresör parçaları için kullanılır.

Destekin rotasyonu ve hareketi için kullanılır ve otomasyon ekipmanının kısımları

Yapı yapılarında, farklı yapısal bileşenleri bağlamak için rulmanlar kullanılabilir.

Gıda ve içecek üretim sürecinde, sıvıları taşımak için pompalara ihtiyaç vardır ve gazları sıkışt...

Türbinler, fanlar ve şaftlar gibi dönen bileşenleri desteklemek için uçak ve uzay aracı motorları...

Taşıma araçları için dahili şanzıman dişlileri, şaftlar, direksiyon dişlileri ve direksiyon eklem...

2025-10-30

Application and Selection Recommendations of Deep Groov...
The deep groove ball bearing is the workhorse of the electric motor industry, serving as a critical component in everything from small appliance motors to large industrial drives. Its versatility, rel...

2025-10-24

Deep Groove Ball Bearing Installation Direction and Pre...
Proper installation is the most critical factor determining the performance, accuracy, and service life of a deep groove ball bearing. Unlike tapered roller bearings, a common point of confusion surro...

2025-10-17

How to Judge the Service Life and Wear Degree of Deep G...
Deep groove ball bearings are among the most common and versatile bearing types, found in everything from small electric motors to heavy industrial machinery. Their reliability is critical, but like a...

Bize Ulaşın

SUBMIT

Teknik Danışmanlık

  • Şangay Yinin Rulman ve Şanzıman Şirketi

    Özelleştirilmiş Çözümler

  • Şangay Yinin Rulman ve Şanzıman Şirketi

    Sürekli Ar-Ge

  • Şangay Yinin Rulman ve Şanzıman Şirketi

    Kalite Kontrol

  • Şangay Yinin Rulman ve Şanzıman Şirketi

    Teknik Destek ve Eğitim

  • Şangay Yinin Rulman ve Şanzıman Şirketi

    Hızlı Yanıt

Herhangi bir teknik danışmanlık veya geri bildiriminiz varsa, size en kısa sürede en profesyonel yanıtı sağlayacağız!

Bize Ulaşın